Telefunken E 863 KW-2
Bundesrepublik Deutschland - 1969

English

Technical documentation
Italiano

Documentazione tecnica
 Click sulle immagini per ingrandire    Click on the images to enlarge  
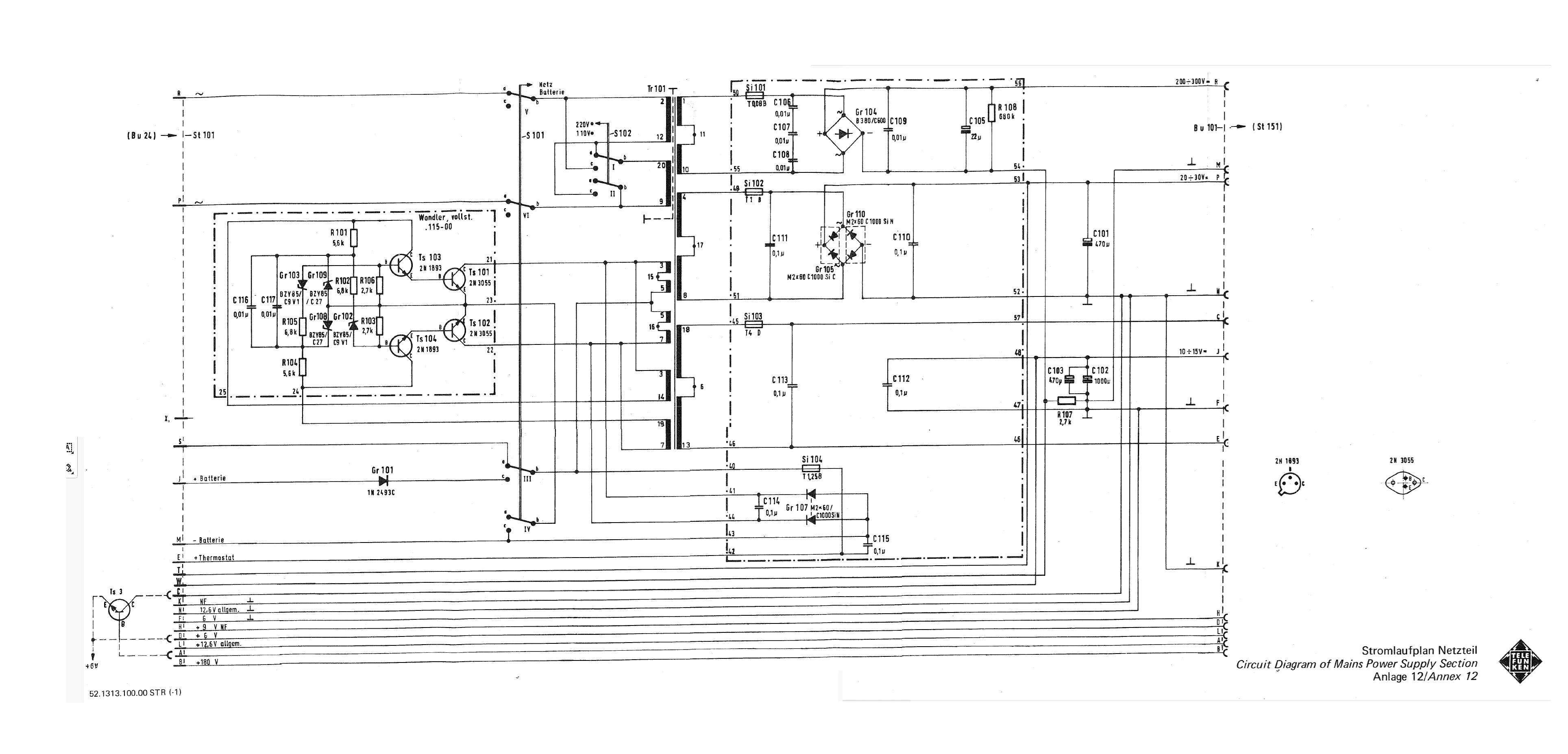
Telefunken E863 KW-2 (1969).

L'E863 KW-2 è un ricevitore per onde corte con copertura da 1,5 a 30 MHz, costruito nella Germania Ovest e utilizzato ampiamente negli anni '70 dall'esercito, dalla marina tedesca (Bundeswher e Bundesmarine) e anche da altri enti statali germanici.

L’apparecchio è stato progettato e prodotto dalla AEG-Telefunken verso la fine degli anni ‘60, inizio anni ’70 utilizzando tecnologia con transistor al silicio, mosfet, e alcuni circuiti integrati TTL ed operazionali.


Il ricevitore è a singola conversione con media frequenza a 525 kHz, la gamma delle frequenze ricevibili è suddivisa in quattro segmenti, da 1,5 2 a 3,48; da 3,46 a 7,49; da 3: 7,45 a 15,50 e da 15,40 a 30,00 MHz. Le modalità di ricezione sono: AM, CW, SSB (LSB e USB).

La visualizzazione della frequenza operativa è digitale ed avviene tramite un frequenzimetro a nixie, realizzato con sei cifre luminose prodotte da 6 tubi elettronici nixie. La grossa manopola di sintonia situata in basso a destra ha due posizioni, se viene premuta la variazione di sintonia è cospicua, in posizione retratta invece la sintonia si sposta con passi di 200 Hz. La sintonia fine è azionabile con un'altra apposita manopola e ha un'escursione di ± 50 Hz.

Il ricevitore è molto stabile per merito dell'oscillatore quarzato la cui temperatura è controllata con termostato. La selettività è assicurata da ben 8 filtri meccanici tanto che per la sua stabilità e sensibilità l'E863 KW-2 era utilizzato largamente per ricevere i segnali delle telescriventi. Il pulsante luminoso posto sopra la manopola di sintonia agisce su uno speciale circuito di inseguimento che assicura la stabilità di ricezione del segnale digitale.

Il ricevitore può essere alimentato dalla rete elettrica con tensione di 110 o 220 Vac da 45 a 480 Hz e con consumo massimo di 100 VA, oppure tramite batterie con tensioni da 21,5 a 30 VDC e corrente massima di 3,6 A. Le dimensioni dell’apparecchio sono: 27,5 x 41,5 x 44 cm (L-A-P) e il peso è di 28 Kg.


Utilizzo con soddisfazione questo ricevitore ormai da vent'anni da quando ne ho ricevuto una copia e ne ho ricavato un articolo che è stato pubblicato sulla rivista CQ Elettronica.

IK3HIA © 2025
     
Telefunken E863 KW-2 (1969).

The E863 KW-2 is a shortwave receiver with coverage from 1.5 to 30 MHz, built in West Germany and used extensively in the 1970s by the German Army, the German Navy (Bundeswher and Bundesmarine), and other German government agencies. The device was designed and manufactured by AEG-Telefunken in the late 1960s and early 1970s using silicon transistor technology, MOSFETs, and some TTL and operational integrated circuits.

The receiver is a single-conversion receiver with an IF frequency of 525 kHz. The receivable frequency range is divided into four segments: 1.5 to 3.48; 3.46 to 7.49; 3: 7.45 to 15.50 and 15.40 to 30.00 MHz. Reception modes are: AM, CW, SSB (LSB and USB).

The operating frequency is displayed digitally via a large nixie tube frequency counter, consisting of six illuminated digits produced by six nixie tubes. The large tuning knob located at the bottom right has two positions; when pressed, the tuning variation is significant; when retracted, the tuning changes in 200 Hz steps. Fine tuning is operated with another knob and has a range of ±50 Hz.

The receiver is highly stable thanks to its thermostatically controlled quartz oscillator. Selectivity is ensured by eight mechanical filters, so much so that the E863 KW-2 was widely used for receiving teleprinter signals due to its stability and sensitivity. The illuminated button above the tuning knob activates a special tracking circuit that ensures stable digital signal reception.

The receiver can be powered by a 110 or 220 VAC 45 to 480 Hz mains supply with a maximum power consumption of 100 VA, or by batteries with a voltage of 21.5 to 30 VDC and a maximum current of 3.6 A. The dimensions of the device are: 10.827 x 16.339 x 17.323 inches (W.H.D), and it weighs 61.729 lb.

I have been using this receiver with satisfaction for twenty years now, ever since I received a copy and wrote an article about it that was published in the italian magazine CQ Elettronica.

IK3HIA © 2025
       
Return to top of page

Go up - torna su. Return to: ik3hia home page Go up - torna su. Return to Old Ham radio page