Philips BI-170A - Primus
Italy - 19
57

English Italiano
 Click on the image to enlarge  Clicca sull'immagine per ingrandire
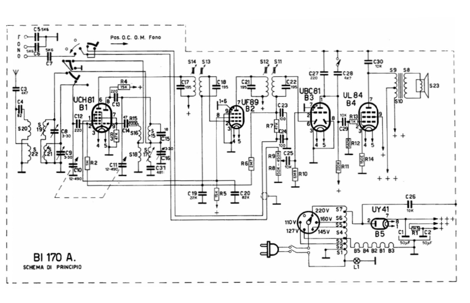
Philips BI 170A Primus - Milano, Italia - 1957.

Ricevitore supereterodina prodotto dalla Philips nella seconda metà degli anni '50 in Italia. La BI-170A riceve le Onde Medie e le Onde Corte, e utilizza quattro valvole noval (miniatura a nove piedini):  UCH81, UF89, UBC81, UL84 e una raddrizzatrice tipo rimlock: UY41. La Media Frequenza è a 460 kHz e i componenti della radio sono montati su un circuito stampato.

Il mobile è in materiale plastico, l'altoparlante è un magnetodinamico da 12 cm, la scala parlante è rotonda e nella parte inferiore del pannello frontale ci sono le manopole dei controlli di volume, di tono, il cambio di gamma e la sintonia. L'illuminazione della scala parlante avviene con una lampadina nascosta dietro il marchio Philips.

Nel pannello posteriore ci sono le prese di Antenna e di Terra, la presa Fono e il cambio tensione per l'alimentazione di rete con tensione selezionabile da: 110, 127, 145, 160, 220 Vac. L'alimentazione avviene tramite autotrasformatore perciò un capo della rete è collegato al telaio. Le dimensioni sono: 31 x 18 x 15 cm.

IK3HIA © 2005 - 2025.
Philips BI 170A "Primus" - Milan, Italy - 1957.

Superheterodyne receiver produced by Philips in the second half of the 1950s in Italy. The BI-170A receives broadcast and short wave, and uses four noval (miniature nine-pin) vacuum tubes: UCH81, UF89, UBC81, UL84 and a rimlock rectifier: UY41. The IF frequency is 460 kHz, and the radio's components are mounted on a printed circuit board.

The cabinet is made of plastic, the speaker is a magnetodynamic type of 4.72 inch, the dial is round, and the lower part of the front panel contains the volume, tone, band shift, and tuning controls. The dial is illuminated by a bulb hidden behind the Philips logo.

The rear panel features antenna and ground sockets, a phono socket, and a mains power switch with selectable voltages of 110, 127, 145, 160, and 220 Vac. Power is supplied via an autotransformer, so one end of the mains is connected to the chassis. Dimensions: 12.2 x 7.1 x 5.9 inches.

IK3HIA © 2005 - 2025.
Back to top of page Torna a inizio pagina
Return to: Old Radio   Return to: IK3HIA page