Tesla 308U "Talisman"
Czechoslovakia - 19
53

Click on the image to enlarge  Clicca sull'immagine per ingrandire

 English   Italiano  
Click on the image to enlarge  Clicca sull'immagine per ingrandire

Tesla mod. 308U "Talisman" - Tesla, Cecoslovacchia - 1953.

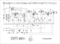
Di tutti i ricevitori della serie Talisman realizzati in , Cecoslovacchia negli anni '50, la 308u era sicuramente quella con l'aspetto più moderno e particolare con il mobiletto in bachelite che aveva la forma a goccia. La 308U era una supereterodina a quattro valvole e fu prodotta in moltissimi di esemplari.

La radio utilizzava sempre lo stesso collaudato circuito delle altre Talisman e poteva ricevere le Onde Lunghe (da 1000 a 2000 metri), le Onde Medie (da 187 a 571 metri) e le Onde Corte (da 16.5 - 51,5 metri). Le valvole utilizzate erano le solite 4 loctal a otto piedini: UCH21, UCH21, UBL21, UY1N e la frequenza intermedia risuonava a 452 kHz.

Il mobiletto era in bachelite color marrone scuro con elementi orizzontali che fungevano da griglia per l'altoparlante e incorniciavano, la scala parlante quadrata posta sul lato destro del frontale. Le manopole del volume/interruttore, sintonia e cambio gamma erano bianche. L'altoparlante era del tipo magnetodinamico e aveva un diametro di 10 cm / 3.9 inc.

La radio veniva alimentata tramite rete elettrica senza l'utilizzo di un trasformatore di alimentazione perchè delle grosse resistenze selezionabili con dei ponticelli permettevano di scegliere tra 220 e di 120 Vca. Uno dei capi della rete però era sempre collegato al telaio perciò bisognava staccare la spina di alimentazione prima di aprire il mobile. Le dimensioni erano: 32 x 19 x 15 cm / 12.6 x 7.5 x 5.9 inch.

IK3HIA © 2004 - 2025.
Tesla mod. 306U "Talisman" - Czechoslovakia - 1951.

Czechoslovakian superheterodyne receiver produced in large numbers in the early 50s. It could receive Long Waves (1000 - 2000 m), Medium Waves (187 - 571 m) and Short Waves (16.5 - 51,5 m). The valves used are 4: UCH21, UCH21, UBL21, UY1N. The intermediate frequency is 452 kHz.

The cabinet is made of dark brown plastic with horizontal elements in white plastic, the dial is square and the knobs are white. The speaker is of the magnetodynamic type with a diameter of 3.9 inch.

The radio is powered by the mains without a power transformer but through large resistors selectable with jumpers for voltages of 220 and 120 Vac. The dimensions are: 10.4 x 6.1 x 6.3 inch

IK3HIA © 2004 - 2025.
 
Back to the top of the page   Torna all'inizio della pagina
Return to: Old Radio   Return to: IK3HIA page